吴 磊 兰 辉 李武斌 陈佳星 田海波
(秦川机床工具集团股份公司技术研究院工艺研究所 中国 西安 710000)
摘要:近年来,国产高端五轴卧式加工中心设计、制造能力不断提升,与国外高端机床差距逐步缩小,主要是由于核心功能部件的加工制造能力大幅提高。本文以秦川五轴卧式加工中心摆头核心零件作为研究分析对象,通过对摆头国内外现状、加工及装配难点分析,研究摆头核心零件加工及装配工艺方法。
关键词:五轴卧式加工中心;摆头;加工难点;装配工艺
0 引言
卧式摆头是卧式五轴加工中心的重要核心功能部件之一,近年来,随着国内功能部件的设计、工艺制造能力不断提升,国产五轴功能部件加工、装配精度不断提升。卧式摆头被充分应用在五轴卧式加工中心,其适用于各类箱体、盘环类零件的复杂型面加工以及端面、径向及斜孔的加工,该类型摆头的五轴卧式加工中心机床广泛用于航空、航天、航海及燃气轮机等重型切削领域。
1 卧式摆头的主要结构及国内外发展现状
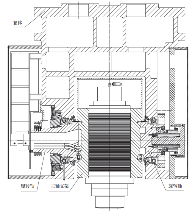
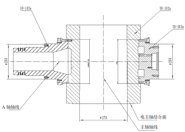
如图1,摆头的A轴由A轴左、右旋转轴、YRT轴承,以及角度编码器、气压抱闸、齿轮传动系统及主轴箱等主要核心零件组成;最终摆动角度为-100°~60°。

图1 摆头主要结构示意图
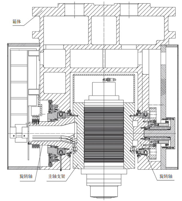
目前,国内外生产卧式五轴加工中心所应用的摆头结构各不相同,且依赖进口,国际先进水平的摆头如德国BW、意大利MANDELLI及日本牧野等。国内仅有少数加工能力强的大型机床厂有生产加工卧式摆头的能力,如秦川机床、海天精工等。如图2,目前,秦川生产的HMC1200/5S摆头式五轴卧式加工中心已批量生产,达到国内领先技术水平,且产品广泛用于军工、船舶和航空航天等领域。

图2 秦川五轴卧式加工中心
2 卧式摆头主要零部件加工精度及加工难点
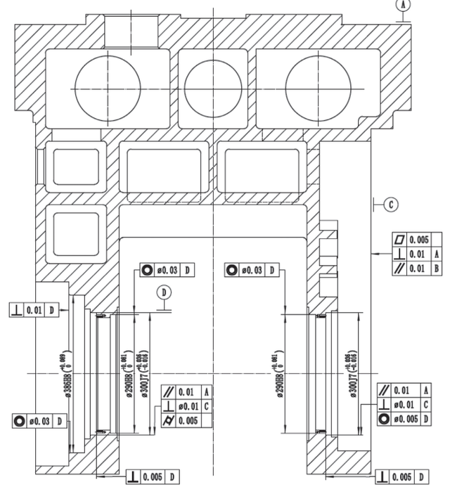
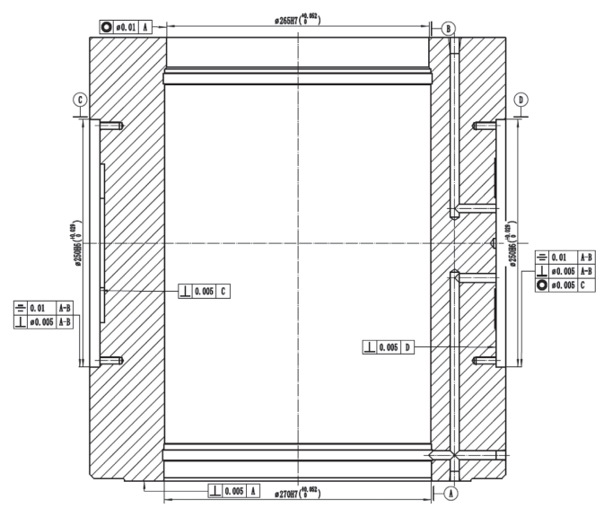
图3和图4为摆头主要零件加工精度,表1为摆头装配后的主要几何精度,根据箱体的形位公差及表1所示装配后摆头摆动的定位精度要求,可见对箱体和主轴支架的加工精度要求很高,由于该箱体和主轴支架均为整体一体结构,因此,对材料的选型和铸造精度也颇为重要。该核心零件均采用球墨铸铁,加工时各孔系精度及余量均须达到要求,铸件不允许出现疏松、裂纹等现象。

图3 箱体示意图
由于箱体两端孔、端面精度及形位公差要求严格,所以在精加工阶段,箱体上的重要孔系及端面精度均在我公司恒温车间精密坐标镗上一次装夹完成。根据互为基准原则,以基准A面为安装底面,校正基准带,先加工图示3右侧齿轮传动部分基准孔及端面精度,然后工作台旋转180°完成左侧左端面孔系及端面加工内容。

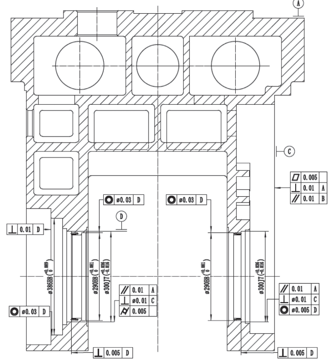
图4 主轴支架示意图
主轴支架两侧孔的同轴及端面精度和形位公差要求也同样严格,对于关键结合面及孔系也在恒温精密坐标镗上加工,对于重要基准面采用人工刮研控制。
摆头核心零件的加工除了对加工环境及设备有严格要求外,对加工操作者的技术熟练水平及加工经验也有很高的要求。由于该箱体结构原因,箱体轴承在装配过程中径向间隙存在不可调整性,主要靠加工来保证形位公差及各项尺寸精度要求,因此该摆头核心零件箱体、主轴支架、旋转轴和齿轮等在加工后的各个尺寸公差及形位公差应完全满足图纸要求,否则摆头装配的精度将受影响。
3 箱体装配技术难点
卧式摆头装配过程中难点主要有两方面,YRT轴承装配和A轴轴线与主轴S轴轴线相交控制。
该摆头两端轴承选用YRT推力向心轴承,该类型轴承可同时承受双向轴向载荷、径向载荷和倾覆力矩,且使用螺栓直接固定轴承,安装无需调整游隙,因此,与该轴承对应的旋转轴、箱体孔系同轴制造与装配要求很高。在实际装配过程中,轴承安装孔底面由于加工(铣削加工)误差分布不均匀,使轴承与孔底安装面平面度不能达到要求,有效的工艺方法是对轴承安装孔圆环面研磨,即通过研磨使平面度的高低点误差均匀分布在轴承安装圆环面上,这样轴承在使用过程中的摩擦过热,滚道负荷才能有效降低,提高轴承运转精度。
A轴轴线与S轴轴线相交度控制,卧式摆头转动核心在于A轴轴线,因此,在实际装配过程中必须严格控制A轴轴线的同心且与S轴轴线相交。
工艺方法是①依靠高精度机床严格控制核心零件的关键精度,比如旋转轴的外圆必须在精密圆台磨床上进行磨削加工。②提前模拟装配控制A轴轴线与主轴S轴线的相交度,这是产生RTCP误差的几何根源之一;如图5,对于主要的结合面旋转轴底面、电主轴结合面通过人工刮研复接触控制结合精度;在对左右旋转轴等高进行控制,依据装配要求,等高必须控制在0.003 mm以内,在使用等径量棒等辅助工装,控制A轴轴线与S轴轴线的相交度,两相交度必须控制在0.015 mm以内,再通过圆柱销定位的方式,配打圆柱销,最后与箱体装配。

图5 A轴轴线与S轴轴线模拟
4 结语
通过对摆头关键件加工工艺及装配过程中出现的问题分析,零件加工精度的保证是提高装配精度和产品质量的基础,对装配过程中出现的技术难点问题,应具体问题具体分析,制定合理有效的装配工艺方案是解决装配技术难点的关键所在。
参考文献
[1] 郑修本 机械制造工艺学[M]第3版,北京:机械工业出版社,2011
[2] 廖念钊 古莹菴 莫雨松 李硕根 杨兴骏 互换性与技术测量[M]第5版,北京:中国计量出版社,2007
[3] 于骏一,邹青 机械制造技术基础[M]第2版,北京:机械工业出版社,2009
[4] 姜忠 影响工作精度的五轴数控机床联动性能测试方法研究[D]成都:电子科技大学,2017
[5] 冯辛安 机械制造装备设计[M]第2版,北京:机械工业出版社,2006
[6] 徐兵 机械装配技术[M]第3版,北京:中国轻工业出版社,2020
评论
加载更多