于磊磊1 程宇轩2 余辉3
1.宁波职业技术学院; 2.无锡职业技术学院; 3.南京肯特复合材料有限公司
摘要:在现代制造业快速发展的今天,企业在保证零件加工精度要求的基础上,对零件的加工效率要求也有所提高。以某企业生产槽类零件为例,本文借助于国产CAXA数控车软件,巧用其CAM切槽功能,对槽类零件绘制几何图形,运用CAM模块创建刀具,创建毛坯,选择加工模式及设置切削参数,生成加工轨迹,并使用二维线框仿真验证程序是否正确,后置处理生成加工程序单,将程序单导入到数控机床系统,安装调试好毛坯和刀具,建立工件坐标系,自动运行加工生产。经实践验证,采用CAXA数控车软件对槽类零件进行自动编程,再进行数控车削加工,安全、高效且切实可行。
关键词:零件图;工艺分析;自动编程;数控加工
0 引言
在当今科技飞速发展的时代背景下,软件自动编程技术已是制造技术和制造业的发展趋势和方向。随着工业产品的持续升级换代,对于轮廓较为复杂的零件,CAXA数控车软件作为一款功能强大的国产计算机辅助制造(CAM)软件,可为轴、套等回转体零件的加工提供全新的解决方案,能够实现高精度、高效率且高柔性的生产,因此广泛应用于装备、汽车制造、电子电器以及航空航天等众多加工制造领域。
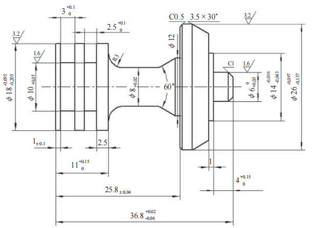
图1 槽类零件图
本文采用CAXA数控车软件CAM模块进行槽类零件的自动编程及加工的研究,使用企业现有设备数控车床进行槽类零件的实际加工生产。实践表明,此方法从零件图样到实际加工产品过程,生产效率高、产品加工质量好,完全适用于复杂模型零件的数控车削与加工。
1 槽类零件图样及三维特征
1.1 零件图样分析
本文以某典型型号非标活塞槽类零件为例进行零件特征分析。槽类零件如图1所示。零件包括外圆、端面、槽圆弧以及锥面等结构,形状较复杂,个别尺寸要求较高;自动编程时,建立绘图基本命令完成造型;为保证加工精度,采用试切法计算圆柱体的中心点进行对刀,装夹需分两次调头装夹完成零件加工。
1.2 零件造型
CAXA 数控车软件拥有直观、便捷的图形绘制界面,用户既可以采用交互式绘图方式,通过鼠标点击和拖动等操作,实时地在界面上构建图形;也能运用参数化绘图方式,依据预先设定的参数精确地生成所需图形。这种多样化的绘图方式,能够充分满足各种复杂零件的设计需求。在绘制此零件二维图时,为了避免锐角对操作人员造成伤害,且便于零件的装配,需要对进行倒圆角处理,使用 CAXA 数控车软件的倒角命令,用户可以轻松地为零件的轮廓添加合适的倒角,使用CAXA三维绘图时按照零件尺寸公差的中差进行绘图,精确地绘制出槽类零件的二维轮廓图,三维模型如图2所示。
图2 零件三维特征
2 加工工艺分析
毛坯料选择:此零件为活塞类零件,客户需要其能够承受足够的压力和冲击,保持稳定的运动状态,具有良好的耐磨性和较高的加工精度,表面粗糙度较低。为尽量减少应力集中的影响,避免因应力集中导致的断裂或变形,综合考虑选择毛坯材料为6061铝合金棒料,此材料主要合金元素为镁与硅,抗拉、抗压强度为200 N/mm2,抗剪强度为115 N/mm2,局部承压强度为305 N/mm2,精加工后表面阳极氧化,能承受按GB/10125-2021进行的中性盐雾试验168 h,硬度大于等于45HRC,选材经加工后试用,选择6061材料满足使用要求。
装夹及加工方案:夹持棒料,伸出长度超过26 mm,粗车零件左端面和左端外圆,精车左端端面和外圆,粗车左端外槽轮廓,半精车φ8外圆和60°锥面,精车3 mm、2.5 mm宽两个槽及φ8 mm外圆和60°外圆锥面,调头夹持φ18 mm外圆,顶住φ26 mm外圆左端面肩台,取零件总长36.8 mm,粗车右端外轮廓,精车右端外轮廓至尺寸要求,完成零件加工。加工内容、切削参数工艺卡片如表所示。
3 基于CAXA软件的自动编程
3.1 零件加工设备选择
在数控加工的实际操作中,当拿到零件图样后,首要任务便是根据其图纸尺寸及要求来挑选合适的毛坯材料。此次加工任务所涉及的零件,经过分析,确定选用规格为φ30X600的铝棒料作为毛坯。
加工操作时,选用的现有设备斜床身 FANUC系统数控车床,气动卡盘装夹,需将毛坯安装到数控车床上,确保装夹牢固且定位准确无误。首先进行外轮廓粗加工工序,当外轮廓粗加工步骤完成后,再执行切断工序,切断后保证零件总长38±0.1 mm。
3.2 自动编程
CAXA 数控车软件作为一款专业的数控编程软件,具备丰富且强大的基本功能,选择切槽加工时槽的底面、两侧面余量均可以分别设置,通过优化车削槽加工参数中粗加工参数与精加工参数中的 “底面余量”“左侧余量”“右侧余量”控制,实现槽加工三个面单独设置余量,为槽类零件的自动编程与加工提供了全方位的支持。
(1)打开CAXA数控车软件,选择“数控车”命令,创建刀具,刀具类型选择“切槽车刀”,刀具长度设置为40;刀具宽度应小于刀刃宽度,否则会产生切削参数设置错误,此处刀具宽度设置为1.5;切槽刀刀刃宽度应小于槽的宽度,如零件图样1所示,零件槽最小宽度尺寸为2.5 mm,因槽精加工余量设置为0.1 mm,按照刀具宽度标准,故合理设置刀具刀刃宽度为2;为避免切槽刀副后刀面加工时与待切削槽侧壁发生干涉,刀具引角设置为10°,刀具位置设置为5,编程刀位设置在前刀尖。切削用量速度设定进退刀时不要快速走刀,接近速度和退刀速度均设置为30 mm/min,退刀速度300 mm/min,主轴转速选择1800 r/min。
(2)建立工件坐标系位于毛坯右端面回转中心,选择“视图”,新建“原点坐标系”,确定坐标系基点X0,Z0,旋转角为0°,点击确定,工件坐标系设置完成。
(3)选择二轴加工,车削槽加工,粗加工参数为:切槽表面类型为“外轮廓”;加工工艺类型为“粗加工”;加工方向选择“纵深”,沿着X轴方向进退刀;为保护切槽刀具受力均衡,拐角过渡方式选择为“圆弧”;加工平面为“XOY平面(X为主轴)”;样条拟合方式为“圆弧”,数值为“9999”;粗加工目的是尽快去除毛坯余量,留相应精加工余量即可,选择加工精度“0.05”;平移步距“1.1”,加工余量“0.1”;避免切削加工槽时切屑缠绕,切深行距“2”;延迟时间“0”,退刀距离“0.5”;刀具只能下切,粗加工时修轮廓,刀具半径补偿选择编程时考虑半径补偿。几何参数:轮廓曲线选择待切槽所有轮廓,拾取轮廓时选择限制链拾取,先选槽加工起始段1为开始端,链搜索方向向下,再选择倒角段2为终止端,轮廓曲线拾取完成。输入进退刀点安全位置:X60,Z80,确保换刀安全,几何参数拾取完成。
(4)设置好加工参数、刀具参数和几何参数,生成切槽粗加工轨迹,如图3所示。
图3 切槽粗加工刀具轨迹
(5)后置处理生成槽粗加工程序单,按FanucSeriesMateTD系统设定好后置设置参数,软件界面打开“特征树”,选择“轨迹”,“车削槽加工”,右击鼠标,在下拉菜单中选择“后置处理”,控制系统文件选择“FanucSeriesMateTD”,机床配置文件为“数控车床-2x-XZ”,轨迹为“车削槽加工”,坐标系为“零件1坐标系”,点击“后置”,生成加工程序单。
(6)生成槽精加工程序单,选择特征树中的1-车削槽加工,仅需复制粘贴为2-车削槽加工,修改“粗加工”为“精加工”,设置精加工参数:为保证精加工时零件尺寸精度和表面质量,精加工精度“0.01”;切削行数设为“1”;精加工余量为“0”;切削行距“1”;末行刀次“1”;退刀距离为“1”;刀具只能下切,粗加工时修轮廓,刀具半径补偿选择编程时考虑半径补偿。刀具参数中切削用量按工艺卡中精加工转速“1800”改为“2000”,进刀量改为150即可,其它参数均和粗加工相同即可,生成刀具加工轨迹,如图4所示,后置处理生成槽精加工程序单,步骤同后置处理生成槽粗加工程序单。
图4 切槽精加工刀具轨迹
4 零件数控车床加工
对刀:将已粗加工好的毛坯装夹在卡盘上,分别将93°外圆车刀、35°菱形车刀、槽粗加工刀、槽精加工刀4把刀具安装在刀架上。主轴旋转,外圆车刀车削工件的端面,车平端面后,打开数控系统刀补参数OFF/SET,将Z0输入刀补参数中并测量计算,得到相应刀具刀位点相对机械坐标零点的 Z 值,Z对刀完成;Z方向退回,移动外圆车刀车削外圆3~5 mm,保持X坐标不变,沿 Z 轴方向退刀适当位置,主轴停止旋转,测量所车削外圆的直径。将测量值输入OFF/SET刀补参数中并测量计算,得到相应刀具刀位点相对机械坐标零点的 X 值,X轴对刀完成。其余3把刀具依此方法对刀确定工件坐标系零点位置。
程序传输至机床:在CAXA数控车软件中设置波特率、奇偶校验、数据位、停止位传输参数与机床端相同,数据口为COM1,握手方式XON/XOFF、换行符为LF,打开软件自动编写好的程序单,选择要传输的程序,发送代码类型为FANUC标准发送,点击发送后在机床端接收,将程序存储在数控系统中待加工使用。
选择待加工轮廓加工程序单,自动运行程序加工。为避免在批量零件加工过程中出现大量的废品,对零件进行1~3 件的首件试切生产加工,加工后零件尺寸通过三坐标测量机检测,检验加工程序是否符合批量性生产要求,校验企业现有生产条件是否满足正式的投产加工,及时对尺寸超差的数值调整,对工艺、程序进行针对性修改,确保零件所有尺寸、形位公差和表面质量满足图样要求,保证批量生产时高精度、高效率,使企业利益达到最大化。
目前,此零件已顺利进入大批量生产阶段,源源不断地为企业创造经济效益,助力企业在激烈的市场竞争中脱颖而出,实现企业利益最大化,批量加工零件产品如图5所示。
图5 批量生产槽类零件
本文通过对槽类零件加工工艺分析,运用国产软件CAXA数控车对其进行二维图绘制,根据加工经验,设置好影响加工质量、加工效率以及刀具的使用寿命的切削参数,巧妙利用软件中的二轴加工车削槽功能,对槽进行首件试切完成粗加工和精加工,并后置处理生成批量生产零件加工的程序,软件能够提前预见潜在问题,如刀具碰撞、过切欠切等,并及时调整参数加以避免,极大地提高了试切的成功率。不仅缩短了零件加工调试周期,还保证了零件的尺寸精度。在数控车加工大批量零件过程中,将人工干预降至最低限度,机床只需按照生成的程序自动化运行,稳定产出合格的高质量零件产品,显著提高了生产加工效率,为企业在激烈的市场竞争中赢得先机,实现降本增效的双赢局面。
参考文献:
[1] 北京数码大方科技股份有限公司简介[OL].https://www.caxa.com/caxa/23.html.2024
[2] CAXA数控加工自动编程经典实例教程[M].刘玉春.北京:机械工业出版社.2021.21
[3] 潘忠宝,张强,石晨泰,曾广旭.提高6061铝合金薄壁型材力学性能的工艺研究[J].中国金属通报.2024
[4] 数控加工手册[M].张定华.北京:化学工业出版社.2013.402-404.
[5] 莫建彬.首件加工数控车加工中的应用与研究[J].机械管理开发.2024
2026-04-16
2026-04-23
2026-04-17
2026-04-17
2026-04-17
2026-04-16
2026-04-17
评论
加载更多