伴随着新能源汽车在国内市场的推广和普及,消费者对于续航里程的关注始终是重中之重,而如何解决续航里程焦虑则成为了各个主机厂必须攻克的难题。目前业内最常见的做法有两种:车身轻量化以及增加电池容量。增加电池容量容易理解,但是动力电池已经占据整车成本的30%~50%,增加电池不仅需要占用更多的宝贵车内空间,成本以及整车质量也会随之增加。综合考量,车身轻量化就成了更有实际意义的做法。
车身轻量化并非是简单的将车身质量减轻,而是在保证车身强度和安全性能的前提下,降低车身重量,常见的做法是优化车身结构设计以及使用轻量化材料替代钢板。常见的有复合材料以及轻金属合金(镁合金、铝合金)。

得益于汽车行业对节能减排的迫切追求,以及电子、建筑、航空航天等领域投资的持续增长,中国的压铸市场迎来了前所未有的发展机遇。在这场变革中,铝压铸技术凭借其独特优势,成为了引领市场增长的关键力量。
尤为值得一提的是,新能源汽车产业的蓬勃发展,催生了“一体化压铸”技术的兴起。这一创新技术,将传统焊接工艺中所需的约70个零部件融合为一个整体压铸件,不仅实现了生产效率的飞跃式提升,更通过一体化设计,显著增强了车身的整体刚性与结构强度,为新能源汽车的轻量化、高强度化设计开辟了新的道路。
压铸工艺凭借其卓越的生产效率、出色的表面质量,以及能够制造传统铸造技术难以企及的复杂零件,而在众多领域得到了广泛应用。然而,正如所有制造工艺都有其局限性,压铸工艺亦不例外。其高压、高速的特性在带来高效生产的同时,也引发了一系列工艺上的挑战。比如初期成本高昂、模具寿命相对较短、以及客户最为关注的质量问题:产品内部缺陷。

因此对于铸件产品的检测必不可少,常见的检测手段有目视检测,检测铸件表面缺陷如:填充不足、划伤、披锋、砂眼等。部分特征还需要借用特殊工具如内窥镜,检测深孔中的缺陷。



无损检测技术以其非破坏性、高效快捷的特点,在工件质量检测中占据重要地位。它能在不损伤工件的前提下,快速检测工件表面的缺陷。然而,对于工件内部隐藏的缺陷,如气孔、缩孔等,无损检测则显得力不从心。
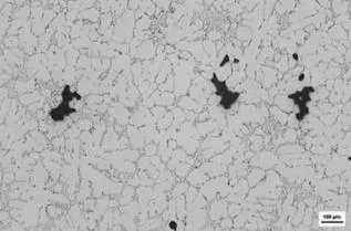
为弥补这一不足,“金相检测”作为一种破坏性测试方法应运而生。该方法通过截取铸件的特定切面,进行精密分析,能够精准发现铸件内部微米级别的缺陷。尽管金相检测在精准度上无可挑剔,但其成本相对较高,且检测过程耗时较长。更重要的是,接受检测的工件在测试后将无法复原,只能一次性使用,这无疑增加了生产成本与资源消耗。



那么有没有一种既快捷又精准,且成本相对较低的检测方式呢?答案就是:X-Ray无损检测。



截止今日X-Ray已广泛的用于铸件的无损检测领域,并且根据不同的应用场景及客户需求演化成了两派,分别是2D和3D。其中2D检测由于其成像速度快,能够做到100%在线全检,从而得到了各大主机厂及其供应商的广泛应用,也催生了相应的行业和企业标准。其中最被广泛接受和使用的为ASTM制定的行业标准和主机厂设立的企业标准。

ZEISS BOSELLO ADR(Automatic Defects Recognition )软件不仅植入了上述的ASTM制定的行业标准如E155,E505等,还内置了广泛接受和使用的企业标准如VW50122, DBL4912, QV33075等。任何使用ZEISS BOSELLO ADR软件的客户都可以根据客户的检测需求直接调用对应的检测标准。除了内置的标准之外,用户也可以写入自定义检测标准,并可以将标准和其他使用相同检测设备的分厂任意共享。
作为自动化检测软件,ZEISS BOSELLO ADR可以实时识别当前的视图里肉眼不可见的缺陷,链接客户的检测标准自动判断工件OK/NG,将操作员从重复、枯燥的检测劳动中解放出来(根据需要可以增加人工复核),还可以连接到MES系统,又或是以班组或者工作日为单位输出产品良率数据或其他客户感兴趣信息。
对于客户最为关心的检测准确性问题,也有独到的一面。ZEISS BOSELLO ADR软件内置了人造虚拟缺陷,选定关注的缺陷类型以及严重等级,然后将虚拟缺陷放置在检测视图上任意位置,以此来重复验证编写的ADR程序能否发现指定等级或指定类型的缺陷。

此外在铸件的检测区域,工件表面上可能存在铸造凸起或者及轮辋的凸起排气线,合模线等,这些特征对ADR检测产生影响而导致误判,为此ZEISS BOSELLO ADR还植入了“去除特征”功能,消除工件表面的混叠特征,从而提高ADR判断的准确性。

轮辋去除合模线(之前)

轮辋去除合模线(之后)
ZEISS BOSELLO产品系列,作为2D无损检测领域的先驱在无损检测领域内深耕四十余载,借助ZEISS的全球化战略和营销体系,在全球范围内为各大主机厂和供应商提供无损检测解决方案,ZEISS BOSELLO产品系列以其优异的稳定性和精准的缺陷识别和判断能力而得到了用户的一致认可, 未来我们将继续携手用户“从零开始,铸就完美”。
文章来源:蔡司
图片来源:蔡司
转载平台:企业供稿
责任编辑:朱晓裔
审 核 人:李峥
评论
加载更多